Nasz asortyment
- cofnij
- Cokoły, Kratki, Akcesoria
- Garderoba
- Kleje, Silikony, Woski
- Konfirmaty, Dyble, Wkręty
- Kosze Cargo
- Kółka, Rolki
- Listwy
- Narzędzia, Wzorniki
- Nogi, Nóżki
- Ociekarki
- Organizery Kuchenne
- Oświetlenie
- Podnośniki
- Półki obrotowe
- Prowadnice
- Przepust kabla
- Rura, Akcesoria
- Segregatory śmieci
- Spowalniacz, Odbojnik, Tip-On
- Szuflady
- Systemy drzwi przesuwnych
- Taśmy, Folie
- Uchwyty, Gałki
- Wieszaki
- Wsporniki, Kątowniki, Podpórki
- Zamki
- Zawiasy meblowe
- Zawieszki, Szyny
- Zaślepki, Obrzeża
- Inne
Nowości
Promocje
Produkt dnia
ZAWIAS B PROW.+ 0 Z EURO
Dostępność:
488
Dostawa:
24 godziny
OPIS PRODUKTU
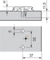
CLIP prowadnik, krzyżakowy, 0 mm, Stal, zamontowane wkręty, RW: otwór podłużny.
prowadnik 173L8100
System prowadników: CLIP
Forma prowadnika: krzyżakowy
Dystans: 0 mm
Materiał: Stal
Powierzchnia: Niklowan.
Mocowanie: na zamont. EURO wkręty
Odstęp pomiędzy pozycjami mocowań: 32 mm
Odległość od przedniej krawędzi do 1 poz. mocowania: 37 mm
Średnica otworu pod mocowanie: 5 mm
Głębokość otworu pod mocowanie: 11.5 mm
Regulacja wysokości prowadnika: podłużnym otworem
DANE TECHNICZNE
| Rodzaj | Prowadnik, Podkładka, Ogranicznik kąta |
| Zastosowanie | Do zawiasu |
| Aventos HF | Aventos HF. |
| Aventos HK-XS | Aventos HK-XS. |
| Funkcje | Uniwersalne |